Retrouvez-nous sur :

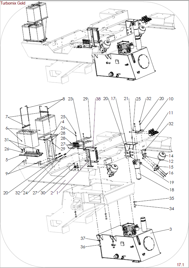
Support de convertisseur Support moteur VOLVO 218HP Bâtit pour ensemble moteur-pompes Réservoir hydraulique complet Bride pour batterie additionnelle Support de batterie Batterie 12V 125AH Bride de batterie Tige filetée 1/4" Entretoise Support Bloc prise de pression Mixellium Support Boule d'azote élévateur Mixelium Bloc boule d'azote suspension Boulon M8^*90 Support de filtre Filtre LS Complet Mixellent Boulon M10 * 20 Rondelle M10 Support de fusible Boitier de fusible Vis M8 * 20 Rondelle M8 Vis BTR M6*20 Rondelle M6 Rondelle M6 Ecrou frein M6 Interrupteur 83716 REMPLACE 510142700 Vis M8 * 20 Boulon M10 * 30 Boulon M10 * 30 Boulon M10 * 30 Boulon M10 * 25 Boulon BTR M16*45 Rondelle M 16 Boulon M12 * 30 Rondelle M12 Equaliser 24-12V pour moteur VOLVO
# Désignation Quantité
1 485102140 - Support de convertisseur 1
2 446002360 - Support moteur VOLVO 218HP 1
2 458004450 - Support moteur VOLVO 280HP 1
3 458004420 - Reservoir hydraulique complet 1
4 458102130 - Bride pour batterie additionnelle 1
5 472010670 - Support de batterie 1
6 510001230 - Batterie 12V 120AH / 870A +D 2
7 472080100 - Bride de batterie 2
8 510104201 - Tige filetee 1/4" 4
9 104225005 - Entretoise 4
10 102348902 - Support 1
11 102348901 - Bloc prise de pression Mixellium 1
12 102348501 - Support 2
14 OL 444 0910 - Boule d'azote elevateur Mixelium 2
15 102348502 - Bloc boule d'azote suspension 2
16 008308190 - Vis BTR M8x90 8
17 102348301 - Support de filtre 1
18 945121800 - Filtre LS Complet Mixellent 1
19 008010020 - Vis M10x20 6
20 003002010 - Rondelle M10 14
23 472050210 - Support de boitier de fusible 1
24 464095060 - Boitier de fusible 4
25 008008020 - Vis M8x20 4
26 003002008 - Rondelle M8 6
27 008306120 - Vis BTR M6*20 12
28 003002006 - Rondelle M6 18
28 003002006 - Rondelle M6 18
29 001600006 - Ecrou frein M6 10
30 510001223 - Interrupteur 83716 1
31 008008020 - Vis M8x20 4
32 008010030 - Boulon M10 * 30 8
32 008010030 - Boulon M10 * 30 8
32 008010030 - Boulon M10 * 30 8
33 008010025 - Vis M10x25 4
34 008316045 - Vis BTR M16x45 4
35 003002016 - Rondelle M16 4
36 008012030 - Vis M12x30 4
37 003002012 - Rondelle M12 4
38 472100244 - Equaliser 24-12V pour moteur VOLVO 1

En poursuivant votre navigation sur ce site, vous acceptez l’utilisation de cookies destinés à réaliser des statistiques de visite.

Accepter
Mentions légales