Retrouvez-nous sur :

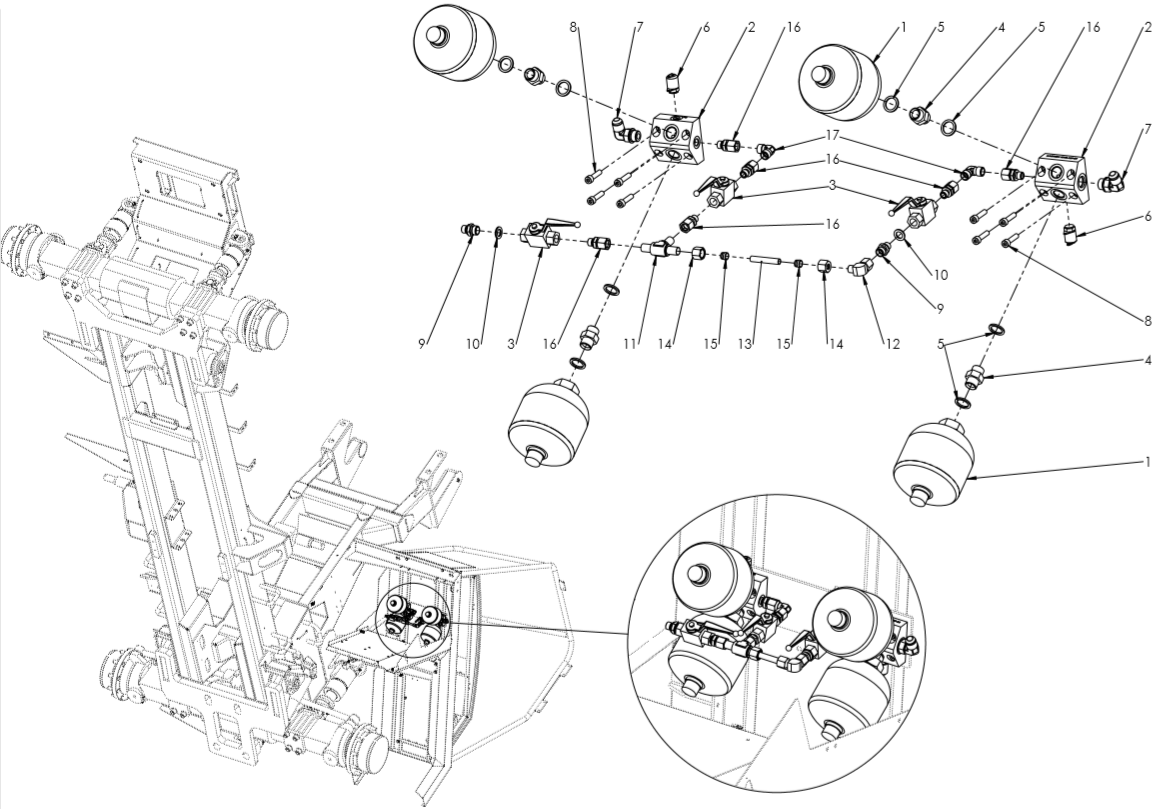
Accumulateur hydraulique Collecteur d'accumulateurs Vanne haute pression 1/4' BSP Raccord 1/4"BSPx9/16"JIC Bague BS 1/2 Raccord 9/16 NF Raccord 3/4" NF 3/4" X JIC 9° Vis BTR M8x55 Raccord Tube M10L x 1/4 BSP Bague BS 1/4' Raccord T M/M/M Raccord 90° 10L x MBSP 1/4 tube diam 10mm Ecrou hydro diam 10 Bouchon 1/8 NPT Raccord MBSP1/4 / 10L Raccord coudés à 90° 16x1.5+vis
# Désignation Quantité
1 BL4440910 - Accumulateur hydraulique 4
2 104313901 - Collecteur d'accumulateurs 2
3 280111900 - Vanne haute pression 1/4' BSP 3
4 009765132 - Raccord FJIC9/16 x MBSP1/4 4
5 009760765 - Bague BS 1/2 8
6 009760567 - Prise de pression 9/16 UNF 2
7 009765103 - Raccord MJIC3/4 x M3/4 UNF 90° 2
8 008308055 - Vis BTR M8x55 8
9 009765273 - Raccord Tube M10L x 1/4 BSP 2
10 009760750 - Bague BS 1/4' 2
11 009765268 - Raccord T M/M/M 1
12 009761457 - Raccord 90° 10L x MBSP 1/4 1
13 104313905 - tube diam 10mm 1
14 009760540 - Ecrou hydro diam 10 2
15 009760541 - Olive Diam 10 2
16 009765270 - Raccord MBSP1/4 / 10L 6
17 495111519 - Raccord coudes à 90° 16x1.5+vis 2

En poursuivant votre navigation sur ce site, vous acceptez l’utilisation de cookies destinés à réaliser des statistiques de visite.

Accepter
Mentions légales